آموزش جامع تصویری طراحی سقف وافل در ایتبس + 11 نکته طلایی

امروزه با توجه به نیاز سازندگان به تامین دهانههای بزرگتر و اجرای سقف سازهای با کیفیت، استفاده از سقف وافل فراگیر شده است. بنابراین با توجه به نیاز موجود سعی کردیم تا در این مقاله به صورت کامل طراحی سقف وافل در ایتبس را تشریح کنیم. همینطور تمامی نکات آیین نامه ای و طراحی با جزئیات ارائه شده و راجع به آنها توضیحات جامعی داده شده است.
آنچه در این مقاله میخوانید
مقایسه سقف وافل و تیرچه بلوک (یونولیت) در طراحی تیرچهها:
رویکرد طراحان در طراحی تیرچههای سقف تیرچه بلوک عمدتاً بصورت دو سر مفصل بوده و لذا آرماتورهای خمشی در آن که محاسباتی میباشند صرفا در پایین تیرچه قرار میگیرد و آرماتور بالا صرفاً جنبه اجرایی و برای مهار آرماتورهای برشی زیگزاگ میباشد. بر این اساس شرایط تیرهای تکیه گاهی نقش خاصی در طراحی تیرچه ندارد.
در طراحی سقف وافل در ایتبس در صورت وجود تیرهای تکیهگاهی در دهانهها و با توجه به استفاده از تعریف Slab از نوع Shell برای مقطع سقف وافل، شرایط مرزی در انتهای تیرچه ها دیگر مفصلی نبوده و لنگر خمشی میتواند در انتهای تیرچه ها ایجاد شود. میزان لنگرهای خمشی در تیرچهها و توزیع لنگر در تیرچه، کاملا وابسته به سختی پیچشی تیرهای تکیه گاهی میباشد. لذا ضریب اصلاح سختی پیچشی تیرها در این خصوص اهمیت زیادی دارد. بنابراین طراحی خمشی، برشی و کنترل خیز در تیرچه های سقف وافل باید بر اساس مدلسازی و اعمال اندرکنش تمامی اجزای سقف با المانهای تکیهگاهی آنها انجام شود.
مقایسه وزن (بار مرده) سقف وافل و تیرچه بلوک (یونولیت):
وزن سقف وافل به ابعاد قالبها بستگی دارد ولی عمدتاً در شرایط متعارف، معادل یک دال بتنی توپر با ضخامت حدود 15 تا 18 سانتیمتر میباشد در حالیکه وزن سقف تیرچه بلوک معادل دالی با ضخامت حدود 10 سانتیمتر می باشد. لذا کاربرد سقف وافل در دهانههایی که تیرچه بلوک جوابگو میباشد از دیدگاه سازهای منطقی نمیباشد اما در دهانه های بزرگتر به دلیل اینکه شرایط مرزی در تیرچهها بصورت نیمهگیردار میباشد، علیرغم افرایش دهانه کنترل خیز می تواند جوابگو بوده و استفاده از این سقف قابل توجیه باشد.
سقف وافل در باربری لرزهای (زلزله):
بر اساس تلفیق بند 2-3-5-5 استاندارد 2800 ویرایش چهارم و بند 9-20-5-5 مبحث نهم مقررات ملی ساختمان در صورتی که شرایط زیر به طور همزمان ارضا شود می توان از ترکیب دال و ستون که تیر ندارند به عنوان سیستم مقاوم لرزهای استفاده نمود.
1- در دهانه های سازه تیر وجود نداشته باشد. (چه تیر مخفی چه غیر مخفی)
2- در صورت نبود دیوار برشی و یا مهاربند، ارتفاع حداکثر سازه 10 متر یا تعداد طبقات حداکثر 3 طبقه باشد.
3- ناحیه لرزه خیزی، خیلی زیاد نباشد.
4- درجه اهمیت برای سازه، خیلی زیاد نباشد.
5- ضوابط بند 9-20-5-5 مطابق زیر رعایت شود.
ضوابط دالهای دو طرفه بدون تیر طبق بند 9-20-5-5:
بندهای 9-20-5-5-1 الی 9-20-5-5-4:
1-5-5-20-9 لنگرهای ضریبدار دالها در تکیهگاهها باید برای ترکیبهای بارگذاری، شامل اثرات زلزله، محاسبه گردند. آرماتور مورد نیاز برای تحمل Msc باید در عرض نوار ستون تعریف شده در بند 9-10-2-5 قرار داده شوند.
2-5-5-20-9 آرماتورهایی که در عرض موثر تعریف شده در بند 9-10-6-4-3 قرار داده میشوند، باید برای لنگر γfMsc طراحی شوند. عرض موثر برای نواحی اتصال واقع در لبههای خارجی و گوشههای دال نباید فراتر از اندازهای، که در جهت عمود بر امتداد دهانهی دال اندازهگیری میشود، از بر ستون ادامه داده شود.
3-5-5-20-9 حداقل نصف آرماتورهای نوار ستون در تکیهگاهها، باید در محدودهی عرض موثر دال که در بند 9-10-6-4-3 تعیین شده است، قرار داده شوند.
4-5-5-20-9 حداقل یک چهارم آرماتورهای فوقانی نوار ستونی در تکیهگاه باید در تمام طول دهانه دال به صورت ممتد ادامه داده شوند.
بندهای 9-20-5-5-5 الی 9-20-5-5-9:
5-5-5-20-9 مقدار آرماتورهای پیوستهی تحتانی نوار ستونی، نباید از یک سوم مقدار آرماتور فوقانی این نوار در تکیهگاه کمتر باشند.
6-5-5-20-9 حداقل نصف آرماتورهای تحتانی نوار میانی و نیز کل آرماتورهای تحتانی نوار ستونی در وسط دهانه باید به صورت سراسری ادامه داشته، و در تکیهگاه طوری مهار شوند که قادر به تحمل تنش تسلیم مطابق ضوابط بند 9-10-9-4-1-الف باشند.
7-5-5-20-9 در لبههای خارجی دال، کلیهی آرماتورهای فوقانی و تحتانی در تکیهگاه باید مطابق ضوابط بند 9-10-9-6-2 در بر تکیهگاه برای تحمل تنش fy مهار شوند
8-5-5-20-9 در مقاطع بحرانی برای ستونهایی که در بند 9-8-5-2-1 تعریف شدهاند، تنش برشی دو طرفهی ایجاد شده در اثر بارهای قائم ضریبدار نباید از 0.4ϕVc تجاوز نماید. Vc از بند 9-8-5-3 محاسبه میشود. در صورتی که در دال ضوابط بند 9-20-10-4 رعایت شده باشند، نیازی به منظور نمودن ضابطهی این بند نیست.
9-5-5-20-9 در سازههای با اهمیت بسیار زیاد و یا در مناطق با خطر نسبی زلزلهی بسیار زیاد، استفاده از سیستم دال و ستون به صورت سیستم قاب متوسط و یا سیستم دو گانه مجاز نمیباشد.
سقف وافل در سیستم باربر (مقاوم) جانبی (لرزهای):
در سیستمهای ساختمانی مختلف، ترکیبهای خاصی از دال، تیر و ستون وجود دارد که هر کدام شرایط خاص خود را برای تحمل بارهای زلزله دارند. برای مناطق با لرزهخیزی خیلی زیاد و یا سازههای با اهمیت خیلی زیاد طبق استاندارد 2800 ویرایش چهارم، استفاده از دال به عنوان جزیی از سیستم بار بر لرزهای مجاز نمی باشد.
در سایر مناطق لرزه خیزی و سایر سازه های با اهمیت زیاد، متوسط و کم نکات زیر باید مد نظر قرارگیرد:
دال و ستون بدون تیر:
وقتی فقط دال و ستون هست و تیر وجود ندارد، این سیستم میتواند به عنوان یک قاب خمشی متوسط در نظر گرفته شود، اما این محدودیت وجود دارد که این نوع سازه تنها تا سه طبقه یا 10 متر ارتفاع مجاز است.
دال به همراه تیر و ستون:
در مواقعی که دال به همراه تیر و ستون باشد، باید توجه کرد که در دهانههایی که تیر وجود دارد، دال نمیتواند به عنوان بخشی از سیستم باربر جانبی لرزهای عمل کند. در این مورد، فقط ترکیب تیر و ستون باید قابلیت تحمل بارهای زلزله را داشته باشد.
دال و ستون و دیوار (بدون تیر):
در سازه دارای دال و ستون و دیوار و بدون تیر، اگر ترکیب دال و ستون بتواند 25 درصد از بار زلزله را به تنهایی تحمل کند، میتوان این سیستم را دوگانه در نظر گرفت و دال را به عنوان بخشی از سیستم باربر جانبی لرزهای در نظر گرفت. اما اگر این ترکیب نتواند این میزان بار را تحمل کند، باید دال از باربری جانبی خارج شود و باربری لرزهای به دیوارها منتقل شود. (در این حالت اگر دیوارها بیش از 50 درصد بارهای ثقلی را تحمل کنند سیستم سازهای دیوار باربر خواهد بود و اگر ستونها بیش از 50 درصد بارهای ثقلی را تحمل کنند سیستم سازه ای قاب ساده + دیواربرشی خواهد بود)
دال و ستون و دیوار همراه با تیر:
در نهایت، در سازههایی که دال، ستون، دیوار و تیر وجود دارد، همواره باید به این نکته توجه کرد که در مواقعی که تیر در سازه وجود دارد، دال نمیتواند به عنوان بخشی از سیستم باربر جانبی لرزهای در دهانه دارای تیر لحاظ شود و این موضوع از اهمیت بالایی برخوردار است.
ورژن ایتبس (Etabs) برای طراحی سقف وافل:
برای طراحی سقف وافل می توان از ورژن 20.1 ایتبس یا هر ورژن دیگری که صحت آن مورد قبول میباشد استفاده نمود.
ورژن سیف (Safe) برای طراحی سقف وافل:
از ورژن 16 به بالا برای طراحی سقف وافل یا هر ورژن دیگری که صحت آن مورد قبول باشد میتوان استفاده نمود.
مدل سازی سقف وافل در ایتبس:
در شرایطی که نمیشود از دال به عنوان بخشی از سیستم باربر جانبی لرزهای استفاده کرد، لازم است که کفایت سیستم سازه در دو مدل مستقل مورد بررسی قرار گیرد. برای مدل اول با نام (Main File)، دال با سختی واقعی آن و با در نظر گرفتن ضرایب ترک خوردگی که در آییننامه مشخص شده (بر اساس بند 9-6-2 الف برابر 0.25 منظور می گردد)، مدلسازی میشود و بررسی کفایت خمشی دال و سیستم باربر جانبی انجام میشود.
در فایل دوم با نام (Lateral File) از سختی خمشی دال صرفنظر میشود و فقط به ارزیابی کفایت سازه که شامل سیستم باربر جانبی لرزهای است، پرداخته میشود. نتایج هر دو مدل میتوانند به ما کمک کنند تا درک بهتری از عملکرد سازه در برابر نیروهای لرزهای داشته باشیم. این فرآیند، به ما اطمینان میدهد که سازه به درستی طراحی شده و میتواند در برابر زلزله مقاومت کند. در مدل Lateral، جهت حذف مشارکت دالهایی که از نوع shell تعریف شده اند، میتوان دالهای مورد نظر را انتخاب نموده و ضرایب سختی m11=m22=m12 را از منوی Assign<<Shell<<Stiffness Modifiers عددی نزدیک به صفر (0.01) وارد کرد. گاهی اوقات، ضرایب سختی خیلی کوچک برای دالها می تواند موجب ناپایداری و خطا در آنالیز مدل گردد، در این حالت باید با سعی و خطا مقدار ضریب سختی خمشی دالها را تغییر داد. (مثلا 0.05)
در شرایطی که دال میتواندجزیی از سیستم باربر جانبی لحاظ گردد، فایل Main کفایت میکند.
انتقال عکس العمل های تکیهگاهی به Safe برای طراحی پی بسته به نظر طراح می تواند از فایل Main یا Lateral انجام شود. نظر عمومی تر انتقال نتایج فایل Main برای طراحی پی به Safe میباشد.
کنترل دریفت سازه با سقف وافل:
برای کنترل دریفت در بین طراحان اجماع خاصی وجود ندارد. برخی بر اساس فایل Main و برخی بر اساس فایل Lateral کنترل دریفت را انجام میدهند.
ضریب سختی پیچشی تیرها در ایتبس و سیف (Etabs and Safe)
برای محاسبه ضریب سختی پیچشی تیرهای تکیهگاهی و اصلاح آن به روش دقیق به مقاله”آموزش اصلاح سختی پیچشی تیرهای بتنی در ETABS + راهنمای تصویری” مراجعه نمایید. به عنوان یک روش تقریبی در مدل ایتبس ضریب اصلاح سختی پیچشی تیرها برای بارهای سطح بهره برداری (کنترل خیز) می تواند برابر با 0.2 و برای بارهای ضریبدار (طراحی خمشی و برشی تیرچه ها) برابر با 0.15 درنظرگرفته شود. در نرم افزار سیف این ضریب بطور خودکار برابر 0.1 درنظرگرفته شده و به تیرها اعمال میگردد.
تعریف سقف وافل در ایتبس:
برای تعریف مقطع سقف وافل یکطرفه به مقاله” آموزش تعریف دال وافل یکطرفه در ETABS+ راهنمای تصویری” و برای تعریف مقطع سقف وافل دو طرفه به مقاله”آموزش تعریف دال وافل دوطرفه در ETABS + راهنمای تصویری” مراجعه نمایید.
کنترل های سقف وافل و سازه در فایل اصلی (Main File):
در این فایل باید دالهای دوطرفه سقف را انتخاب نموده و ضرایب سختی m11=m22=m12 را از منوی Assign<<Shell<<Stiffness Modifiers مقدار 0.25 وارد کرد.

1- کنترل تمامی المانهای سازه تحت ترکیب بارهای طراحی (در صورتیکه طراح بخواهد اثر بارهای لرزهای در طراحی تیرچه های سقف وافل لحاظ شود باید از نرم افزار ایتبس ورژن صحت سنجی شده مانند Etabs 20.1 استفاده نموده و در منوی Design در قسمت دال، برای ترکیب بارهای طراحی سقف وافل ترکیبات بارهای لرزهای را هم اضافه نماید.
2- طراحی خمشی و برشی تیرچهها.
3- تعیین نیروهای طراحی اجزای لبه (Chords) و جمع کنندهها (Collectors). برای تعیین نیروهای طراحی اجزای لبه و جمع کننده، سقف سازه باید از نوع Semi-Rigid تعریف گردد. برای تعریف دیافراگم نیمه صلب در ایتبس به گام چهارم مقاله”آموزش تعریف الگوی بار حرارتی در ETABS + راهنمای تصویری” و برای درک تفاوت رفتار دیافراگم صلب و نیمه صلب به مقاله” تفاوت عملکرد دیافراگم صلب (Rigid) و نیمه صلب (Semi Rigid) در ETABS” مراجعه نمایید.
4- کنترل دریفت و نامنظمی پیچشی ( برخی طراحان این دو کنترل را در فایل Lateral انجام میدهند.)
در مدل های سازهای دارای دال و ستون و دیوار، با توجه به اینکه ایتبس دیوارها را برای برش داخل صفحه و اندرکنش نیروی محوری و خمش حول محور قوی مقطع دیوار طراحی مینماید، لازم است لنگر خمشی حول محور ضعیف مقطع دیوار نیز بررسی شده و آرماتورهای خمشی مورد نیاز به آرماتورهای طراحی شده ایتبس اضافه گردد. در این حالت بر اساس جهت پیش فرض محورهای محلی در دیوار برشی (محور یک قرمز رنگ در راستای طول دیوار، محور 2 سبزرنگ در راستای ارتفاع دیوار) و انحنای دیوار بر اساس بار ثقلی میبایست آرماتورهای خمشی قائم دیوار بر اساس حداکثر لنگر خمشی M22 طراحی شود.
کنترل های سقف وافل و سازه در فایل جانبی (Lateral File):
در این فایل باید دالهای سقف را انتخاب نموده و ضرایب سختی m11=m22=m12 را از منوی Assign<<Shell<<Stiffness Modifiers عددی نزدیک به صفر (0.01) وارد کرد.

همچنین درصورت وجود تیر در مدل ممکن است به دلیل چرخش نامتعارف گرههای انتهای تیرها، پیچش زیادی در تیر ایجاد شود، لذا در این فایل بهتر است ضریب اصلاح سختی پیچشی تیرها نیز یک مقدار ناچیز (مثلا همان 0.01) وارد شود. لازم به ذکر است کنترل و طراحی پیچشی تیرها باید در فایل اصلی Main انجام شود.
1- کنترل مجدد تمامی اجزای سیستم باربر جانبی.
2- کنترل و طراحی تیرهای مخفی (در صورتیکه مدل سازه دارای تیر مخفی با ارتفاع هم اندازه یا کمتر از دال باشد حتما لازم است کنترل این تیر در فایل Lateral صورت گیرد که در اغلب موارد منجر به افزایش ابعاد تیر شده و تیر از حالت مخفی خارج شده و ارتفاع ان بیش از ضخامت دال سقف میگردد.)
در فایل Lateral، اعضای سیستم باربر جانبی برای ترکیب بارهای ثقلی + زلزله کنترل می شوند و نیاز به کنترل اعضا تحت ترکیب بارهای صرفاً ثقلی نمیباشد.
ضرایب اصلاح سختی خمشی تیرها، ستون ها و دیوارها:
ضرایب اصلاح سختی خمشی تیرها در هر دو فایل Main و Lateral، مطابق معمول برابر با 0.35 حول محور قوی مقطع، ضرایب اصلاح سختی خمشی ستونها 0.7 حول هر دو محور و دیوارها بر اساس ترک خورده بودن یا نبودن برابر با 0.35 یا 0.7 میباشد. محاسبه ترک خوردگی دیوار محل چالش میباشد. در صورتیکه کنترل دریفت و نامنظمی پیچشی در فایل Main انجام میشود بهتر است کنترل ترک خوردگی دیوار نیز در فایل Main انجام شود ولی در صورتیکه کنترل دریفت و نامنظمی پیچشی در فایل Lateral انجام میشود، بهتر است کنترل ترک خوردگی دیوار نیز در فایل Lateral انجام شود. پس از تعیین ضریب ترک خوردگی دیوارها بهتر است ضرایب ترک خوردگی آنها در هر دو مدل Main و Lateral یکسان درنظرگرفته شود. ضریب اصلاح سختی خمشی تیرها و ستونها از منوی Assign و مسیر Assign<<Frame<<Stiffness(Property) Modifier انجام میشود.
ضریب اصلاح سختی پیچشی تیرها:
بر اساس مطالب ذکر شده ضریب اصلاح سختی پیچشی تیرها در فایل Main باید بر اساس روش دقیق و یا تقریبی محاسبه شود. در فایل Lateral، مقدار ضریب سختی پیچشی تیرها باید مقدار کوچکی (مثلاً 0.01) وارد شود.
ضریب اصلاح سختی سقف وافل یک طرفه:
در سقف وافل یکطرفه در فایل Main در صورتیکه جهت تیرچهها در راستای محور محلی 1 باشد، باید ضرایب سختی m22=m12=v13 را عددی ناچیز (0.01) و ضریب m11 را برابر با 0.25 وارد نمود. در فایل Lateral، مقدار ضرایب سختی بصورت 0.01=m11=m22=m12=v13 اصلاح میگردد.
مشارکت ستونهای غیر باربر لرزه ای (غیر باربر جانبی) در سقف وافل:
در فایل Lateral در صورتیکه ستون هایی وجود دارند که فقط به دال متصل هستند، میبایست مشارکت آنها در باربری جانبی نادیده گرفته شود اگرچه در واقعیت مشارکت می کنند. به همین جهت در فایل Lateral، این ستونها انتخاب شده و تکیه گاه آنها به حالت مفصلی تبدیل میگردد. کنترل این ستون ها در فایل Main انجام میشود. در صورت عدم تحلیل غیر خطی سازه برای کفایت این ستونها در تغییر مکان نهایی، باید ضوابط بند 9-20-10-3-3 مبحث نهم طبق شکل زیر در این ستونها رعایت شود که همان ضوابط ستونهای موجود در قابهای با شکل پذیری ویژه میباشد. با توجه به اینکه در فایل Lateral سختی خمشی دال نیز ناچیز درنظر گرفته شده است عملاً مشارکت این ستونها در باربری جانبی حذف میگردد.

مدلسازی تیرها در سقف وافل:
در فایل Main به دلیل مدل سازی اثر دالها، تیرها بصورت متداول با استفاده از مقطع مستطیلی مدل میشوند. با توجه به اینکه
در سقفهای دال بتنی، تیرها به طور موثر با بخشی از بتن سقف ترکیب شده و عملکردی مشابه مقطع T شکل پیدا میکنند، به همین دلیل، توصیه میشود در مدلسازی سازه در فایل Lateral، تیرها را به صورت T شکل تعریف شوند. (البته در سقفهای وافل، بسته به ضخامت بتن مجاور تیر، طراح میتواند مقطع تیر را به شکل T یا مستطیل در نظر بگیرد.)
دلیل این امر آن است که در تحلیل سازهای برای بارهای جانبی (Lateral)، به منظور صرف نظر کردن از مقاومت خمشی دال در برابر این بارها، ضریب سختی خمشی دال تقریباً صفر وارد میشود. اما در واقعیت، بخشی از دال به عنوان بال تیر عمل کرده و به سختی و مقاومت آن کمک میکند. بنابراین، برای داشتن مدلی دقیقتر و منظور کردن سختی واقعی تیر، مدلسازی آن به صورت T شکل در فایل Lateral ارجحیت دارد. مدل سازی تیر با مقطع مستطیلی در فایل Lateral در کنترل ضابطه تیر ضعیف- ستون قوی و همچنین برش چشمه اتصال منجر به نتایج غیر محافظه کارانه خواهد شد. در صورت نیاز طراح می تواند به جای مدلسازی تیرهای T شکل از مقطع مستطیلی استفاده نماید منتهی ضریب اصلاح سختی خمشی تیر باید به جای 0.35، مقدار 0.35 ضربدر نسبت ممان اینرسی مقطع T شکل به مقطع مستطیلی وارد شود.
تیرهای مخفی در سقف وافل:
در هنگام مدلسازی سازه، اگر تیری با مشخصات کامل با ارتفاع مساوی با دال (تیر مخفی)، تعریف و در تحلیل و طراحی سازه از آن استفاده شود، نمیتوان از دال به عنوان بخشی از قاب خمشی بهره برد و نیاز به فایل Lateral می باشد. در این حالت مدل سازی تیر بصورت مقطع T شکل در فایل Lateral به دلیل ارتفاع کم تیرها در حد ضخامت دال قابل توجیه نبوده و لذا باید از مقطع مستطیلی با عرض زیاد استفاده شود تا مقطع جوابگو باشد.
با توجه به اینکه طراحی تیرهای مخفی در فایل Lateral انجام میشود لذا می توان در فایل Main از مدل سازی تیرهای مخفی صرفنطر کرد زیرا اثرات سختی و وزن تیر در المان Shell سقف لحاظ میشود. در صورتیکه طراح به هر دلیلی بخواهد تیرهای مخفی را در مدل Main لحاظ نماید باید دقت کند به دلیل رفتار واقعی دال و سختی آن، سهم لنگر و برش تیرهای مخفی در فایل Main کاهش یافته و تیر جوابگو میباشد. این مساله نباید موجب خطا در استنباط طراحی تیر مخفی گردد زیرا طراحی اصلی تیرهای مخفی باید در فایل Lateral انجام شود.
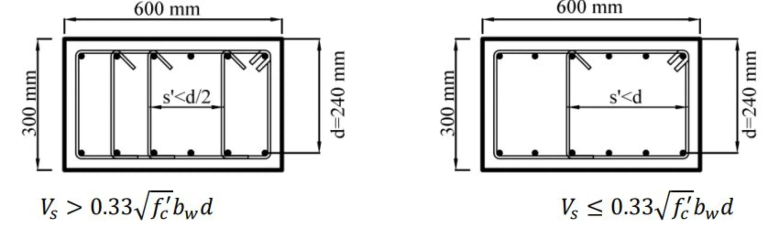
نکات آیین نامه در خصوص تیرهای عریض و مخفی با ارتفاع کم و عرض زیاد:
در صورت استفاده از تیر مخفی با عرض زیاد و ارتفاع کم به نکات آیین نامهای زیر باید توجه شود:
3-5-6-11-9 در صورتی که مقاومت برشی مورد نیاز فولادهای برشی (Vs) از سمت راست نامساوی زیر کمتر باشد:

حداکثر فاصلهی افقی بین آرماتورهای برشی عمود بر محور عضو نباید از کمترین مقدار d/2 و 600 میلیمتر بیشتر بوده، و حداکثر فاصلهی ساقها در عرض مقطع نباید از کمترین مقدار d و 600 میلیمتر بیشتر باشد. اگر مقاومت برشی مورد نیاز فولادهای برشی (Vs) از سمت راست نامساوی زیر بیشتر باشد:

حداکثر فاصله بین آرماتورهای برشی در طول عضو نباید از کمترین مقدار d/4 و 300 میلیمتر بیشتر بوده، و حداکثر فاصلهی ساقها در عرض مقطع نباید از کمترین مقدار d/2 و 300 میلیمتر بیشتر باشد.
در مواردی که تیر به ستون ختم میشود و میلگرد تیر در ستون خم میشود، عرض تیر نباید از عرض ستون بیشتر شود.

حداقل ارتفاع تیر بتنی:
بر اساس بند 3-3-5-6 استاندارد 2800 ویرایش چهارم، بهتر است ارتفاع تیرها حداقل برابر با 30 سانتیمتر باشد.
تعیین زمان تناوب تحلیلی (پریود تحلیل)سازه با سقف وافل از طریق فایل Period:
این فایل با گرفتن Save as از فایل Main ایجاد شده و ضرایب اصلاح سختی خمشی تیرها، ستونها و دیوارها بر اساس بند 3-3-3-3 استاندارد 2800 برابر با 0.5، 1 , 1 درنظرگرفته میشود. توصیه می شود در این فایل ضرایب اصلاح سختی خمشی برای سقف وافل دو طرفه m11=m22=m12=0.35 و برای سقف وافل یکطرفه، در صورتیکه جهت تیرچهها در راستای محور محلی 1 باشد m11 برابر با 0.35 و m22=m12=v13=0.01 وارد شود. اصلاح سختی خمشی پس از انتخاب المانها از منوی Assign صورت میگیرد.
کنترل خیز سقف وافل در سازه از طریق فایل Deflection:
کنترل خیز در سازه تحت بارهای سرویس برای کوتاه مدت (آنی) و دراز مدت، می تواند هم درنرم افزار Etabs و هم نرم افزار Safe انجام شود. در نرم افزار ایتبس تعیین اثرات ترک خوردگی برای کوتاه مدت و اثرات خزش و جمع شدگی در بلند مدت صرفاً برای المان دال انجام میشود و ترک خوردگی تیرها و ستونها تحت بار سرویس باید توسط طراح از طریق اصلاح سختی خمشی آنها انجام شود.
ضرایب اصلاح سختی در فایل Deflection:
در مدل ایتبس میتوان ضریب اصلاح سختی خمشی تیرها را بر اساس بند 9-6-2-2 مبحث نهم برای محاسبه تغییر شکل آنی در اثر ترک خوردگی تحت بارهای سرویس برابر با 0.5 و برای ستون ها برابر 1 وارد نمود. به دلیل اینکه ایتبس تحلیل ترک خوردگی را برای تیرها بصورت خودکار انجام نمیدهد و ضریب اصلاح سختی خمشی تیرها برای تغییر شکلهای بلند مدت در آیین نامه ارائه نشده است توصیه می شود در صورتیکه سازه دارای تیر می باشد برای کنترل صحیح خیزها و اجتناب از اشتباه محاسباتی از نرم افزار Safe استفاده شود.
در صورت استفاده از ایتبس در کنترل خیز، باید دقت نمود که ضریب 0.25 در اصلاح سختی خمشی دالهای دو طرفه (m11=m22=m12) که در فایل Main اعمال میشد باید به 1 تغییر یابد زیرا نرم افزار بطور اتوماتیک برای دال ها اثرات ترک خوردگی را لحاظ می نماید. همچنین برای دال های وافل یکطرفه نیز در صورتیکه جهت تیرچه ها در جهت محور محلی 1 المان Shell باشد، ضریب m11 به جای 0.25 برابر با 1 می شود و ضرایب m22=m12=v13=0.01 باقی میمانند. ضریب اصلاح سختی پیچشی تیرها در فایل ایتبس برای بارهای سرویس می تواند بطور تقریبی برابر با 0.2 بر اساس آبا سال 84 وارد شود. این ضریب برای تیرها در Safe بطور اتوماتیک برابر با 0.1 اعمال میشود.
در نرم افزار Safe ضریب ترک خوردگی دال و تیر در تحلیل ترک خوردگی برای خیز کوتاه مدت (آنی) و اثرات خزش و انقاض برای خیز بلند مدت توسط نرم افزار انجام شود. توضیحات تکمیلی کنترل خیز در ادامه همین مقاله آورده شده است.
ایتبس و سیف در طراحی سقف وافل:
اگر سقف وافل جزیی از سیستم باربرجانبی سازه لحاظ شود بهتر است برای افزایش دقت، طراحی میلگردهای آن توسط ایتبس انجام شود تا اثرات لرزه ای در میلگردهای خمشی با صراحت دیده شود. در صورت استفاده از بارهای لرزه ای در طراحی سقف وافل نتایج ایتبس میتواند موجب سنگینتر شدن دال نسبت به نتایح نرم افزار سیف گردد.
اگر طراح بخواهد نتایج بارهای لرزه ای و تغییر شکلهای گرهی در طراحی سقف وافل در سیف لحاظ شود بهتر است هنگام خروجی گرفتن از مدل ایتبس به سیف از گزینه Export Floor Loads Plus Column and Wall Distortions استفاده نماید. استفاده از این گزینه برای طراحی سقف های وافلی که جزیی از سیستم باربر جانبی بوده و میخواهند در سیف طراحی شوند لازم می باشد. برای سقف های وافلی که جزیی از سیستم باربر جانبی نبوده و تیر بین ستونها دارای سختی کافی و ابعاد متعارف می باشند برای طراحی دال در سیف می توان جهت استخراج مدل از ایتبس به سیف از گزینه Export Floor Loads and Loads From Above نیز بطور معمول استفاده کرد.
در سقف های وافلی که جزیی از سیستم باربر جانبی نمی باشند ودارای تیر مخفی می باشند پیشنهاد می گردد برای استخراج مدل از ایتبس به سیف و طراحی سقف در سیف از گزینه Export Floor Loads Plus Column and Wall Distortions استفاده شود. کلیه خروجیها از ایتبس به سیف بر اساس فایل Main انجام میشود.
طراحی خمشی تیرچه های سقف وافل در ایتبس:
طراحی خمشی در فایل Main انجام می شود.
ترسیم نوارهای طراحی تیرچه های سقف وافل در ایتبس:
برای ترسیم نوارهای طراحی از مسیر Draw<<Draw Design Strips استفاده نمایید. بهتر است برای اینکه میلگرهای نشان داده شده توسط ایتبس متعلق به یک تیرچه باشد عرض نوار طراحی برابر با فاصله تیرچه ها درنظر گرفته شود. برای نوارهای طراحی در سقفهای وافل دو طرفه، یک لایه (مثلا A) را در جهت محور X پلان و نوارهای طراحی لایه B را در جهت Y پلان تعریف کنید یا بالعکس (A در جهت Y و B در جهت X) تا موقع خروجی میلگردهای تیرچه ها در هر راستا بصورت مجزا نمایش داده شود.
پس از رسم لایه های طراحی دقت کنید تا کل پلان سازه در طبقه مورد نظر زیر پوشش نوارهای طراحی قرار گیرند. برای انتخاب نوارهای طراحی و مشاهده پیش فرضهای طراحی و یا تغییر در این پیش فرضها ابتدا لایه مورد نظر (مثلا A یا B) را از مسیر Select<<Object Type<< Strip Layer A/B انتخاب کنید و از مسیر Design<<Concrete Slab Design<<View/Revise Flexural Design Overwrites<<Strip Based برای هر لایه A و B جنس مصالح آرماتورها و پوشش طراحی بتن را کنترل نمایید.
دقت نمایید در پنجره Strip Based Slab Design Overwrites انتخاب نوار ستونی (Column Strip) یا نوار میانی (Middle Strip) تاثیری در نتایج ندارد. جهت نمایش شماتیک تیرچه ها، نوارهای طراحی لایه A و یا B و عرض نوارهای طراحی از مسیر View<<Set View Options بخش General و Other Assignments میتوان استفاده نمود.

تنظیمات طراحی سقف وافل در ایتبس:
برای تنظیمات طراحی دال وافل از مسیر زیر استفاده نمایید.
Design<<Concrete Slab Design<<View/Revise Preferences
در تب Minimum Cover for Slab و در بخش Clear Cover Top , Clear Cover Bottom میزان پوشش خالص بتن تا روی آرماتور را (معمولا 20 میلیمتر تا روی آرماتور) برای آرماتورهای بالا و پایین تعیین نمایید. این پوشش در واقعیت برای طراحی میلگردهای لایه A و B اندکی متفاوت است ولی در نرم افزار بطور تقریبی یکسان درنظر گرفته می شود. قطر آرماتور مورد استفاده را در بخش Preferred Bar Size وارد نمایید ( معمولا 12 یا 14 در حالتهای متعارف میباشد). لایه داخلی برای میلگرد گذاری خمشی را در قسمت Inner Slab Rebar Layer انتخاب نمایید (A یا B). در نهایت در بخش Design Code آیین نامه را انتخاب نمایید. (ACI318-19)

ترکیب بار طراحی سقف وافل در ایتبس:
برای طراحی سقف وافل توصیه می شود حتی اگر دال جزیی از سیستم باربر جانبی نباشد نیز، علاوه بر ترکیب بارهای ثقلی از ترکیب بارهای دارای اثرات لرزهای نیز در طراحی مانند سازه های بتنی معمول استفاده شود. برای انتخاب ترکیب بارهای طراحی از مسیر زیر استفاده نمایید:
Design<<Concrete Slab Design<<Select Design Combinations
در پنجره باز شده، ترکیب بارهای طراحی سازه بتنی را از بخش List of Combinations انتخاب نموده و به بخش Design Combinations منتقل نمایید.
انتخاب طبقه سقف وافل برای طراحی در ایتبس:
برای طراحی سقف وافل، طبقاتی که قصد طراحی سقف وافل آنها را دارید از مسیر زیر انتخاب نمایید:
Design<<Concrete Slab Design<<Select Stories for Design
پس از انتخاب سقف طبقات مورد نیاز شروع طراحی از مسیر زیر انجام می شود:
Design<<Concrete Slab Design<<Start Design
مش بندی سقف وافل:
سایز مش بندی بستگی به قضاوت طراح دارد ولی بهتر است برای داشتن جوابهای با دقت مناسب در حد ضخامت دال درنظرگرفته شود. برای مش بندی سقف وافل می توان از دو مسیر زیر استفاده نمود:
مسیر اول: Analyze<<Automatic Mesh Settings for Floors
مسیر دوم: انتخاب کف های مربوطه و استفاده از منوی Assign مطابق زیر:
Assign<<Shell<<Floor Auto Mesh Options
ناحیه مشترک ستون و دال در سقف وافل:
در ورژنهای جدید ایتبس صرفاً برای طراحی خود سقف وافل (نه طراحی اسکلت سازه) مخصوصا سقفهای وافل بدون تیر، توصیه میشود هنگام تعریف مقطع ستونها گزینه Include Automatic Rigid Zone Area Over Column تیکخورده باشد تا اتصال المان Shell سقف به المان Frame ستون با دقت بیشتری مدلسازی شود. این مساله در میزان خیز سقف وافل تاثیر گذار است. برای نحوه طراحی مقطع ستون به مقاله “آموزش تعریف مقطع ستون بتنی در ETABS طبق مبحث نهم + راهنمای تصویری و نکات آییننامهای” مراجعه نمایید.

آرماتور خمشی حداقل در سقف وافل:
در صورتیکه سقف وافل جزء دالهای دوطرفه محسوب شوند میزان حداقل آرماتور در وجه کششی باید برابر با 0.0018 ضربدر مساحت مقطع دال درنظرگرفته شود. با توجه بهاینکه مقطع دال وافل در بعضی قسمتها بصورت توپر و در بعضی قسمتها بصورت توخالی است برای محاسبه آرماتور کششی حداقل، بهتر است در مدل ایتبس سقف وافل در یک چشمه انتخابشده و وزن آن از خروجی ایتبس مشخصگردد.
مشاهده وزن المان انتخابشده از منوی درختی سمت چپ قسمت Tables در بخش Model Definition<<Miscellaneous Data<<Material List by Object Type قابل مشاهده میباشد.

سپس وزن مشخصشده بر سطح دال و چگالی بتن تقسیمشده تا یک ضخامت برای دال توپر معادل حاصل شود. مساحت مقطع دال بر اساس ضخامت معادل ضربدر فاصله تیرچه ها مشخص می گردد. از ضرب مساحت مقطع معادل در 0.0018 آرماتور حداقل خمشی بدست می آید که باید در بالا و پایین دال رعایت گردد. بطور مثال اگر یک سقف وافل معادل یک دال توپر با ضخامت 150 میلیمتر باشد و فاصله تیرچه ها برابر با 800 میلیمتر باشد، حداقل مساحت آرماتور خمشی در بالا و پایین دال برابر با 0.0018x150x800=216 mm2 می گردد. این مقدار برای آرماتورهای پایین تیرچه معادل 2 آرماتور با قطر 12 میلیمتر و برای آرماتورهای بالا با فرض یک آرماتور با قطر 8 میلیمتر به عنوان حرارتی در بین تیرچه ها شامل آرماتور با قطر 16 میلیمتر در بالای هر تیرچه می گردد.
مشاهده آرماتورهای خمشی تقویتی سقف وافل در ایتبس:
برای مشاهده آرماتورهای خمشی تقویتی در سقف وافل از مسیر زیر در منوی Design استفاده می شود:
Design<<Concrete Slab Design<<Display Flexural Design
در پنجره بازشده Slab Design به نکات زیر توجه نمایید:
در قسمت Choose Display Type به ترتیب Strip Based و Enveloping Flexural Reinforcement را انتخاب کنید.
برای Rebar Location Show هر دو گزینه موجود را تیک بزنید تا آرماتورهای بالا و پایین نمایشداده شود.
در قسمت Reinforcing Display Type گزینه Number of Bars of Size را انتخاب نموده و سایز میلگرد تقویت بالا و پایین را انتخاب نمایید.
در Choose Strip Direction، یکی از لایه های مورد نظر را انتخاب کنید.
برای Show Rebar Above Specified Value گزینه Typical Uniform Reinforcing Specified Below را انتخاب نمایید.
در قسمت Typical Uniform Reinforcing گزینه Define by Bar Size and and Bar Spacing را انتخاب کنید. در بخش Top و Bottom سایز آرماتور بالای تیرچه (به غیر از آرماتور افت و حرارت) و پایین تیرچه و فاصله را وارد نمایید. دقت کنید در صورتیکه تعداد آرماتور مقطع تیرچه بیش از یک عدد می باشد مثلا اگر 2 آرماتور با قطر 12 در پایین تیرچه هایی با فاصله 800 میلیمتر بطور سراسری قرار می دهید در این قسمت برای آرماتور پایین سایز 12 انتخاب نموده ولی فاصله را برابر با 400 میلیمتر قرار دهید.
بر روی Apply یا Ok کلیک کنید تا آرماتورهای تقویتی در بالا و پایین چشمههای دال نشانداده شود.

طراحی برشی تیرچههای سقف وافل در ایتبس:
برای طراحی صحیح برشی تیرچهها در ایتبس، به دلیل اینکه رابطه مقاومت برشی بتن به تنهایی نسبت به ورژن های قبلی آیین نامه تغییر کرده است، حتما از ورژنی از ایتبس مانند 20.1.0 استفاده شود که مقاومت برشی بتن بر اساس رابطه جدید آیین نامه در تیرچهها به درستی محاسبه شود. برای مشاهده آرماتورها برشی مورد نیاز از مسیر زیر در منوی Design استفاده میشود.
Design<<Concrete Slab Design<<Display Flexural Design
در پنجره بازشده Slab Design، در بخش Choose Display Type به ترتیب Strip Based و Shear Reinforcement انتخاب میشود.
در بخش Reinforcing Display Type، گزینه Show Rebar Intensity(Area/Unit Length) انتخابشده و در بخش Choose Strip Direction، یکی از لایه های A یا B انتخاب میگردد. (مثلا اگر لایههای A در جهت X پلان تعریفشده باشند، انتخاب لایه A، آرماتورهای برشی تیرچههای قرارگرفته در راستای X را نشانمیدهد.) ایتبس میلگردهای برشی را بصورت (Av/s) نمایش میدهد.
در صورتیکه مقاومت برشی بتن به تنهایی کافی باشد آرماتور برشی محاسباتی در ایتبس نمایشداده نمیشود و باید از آرماتور برشی به لحاظ اجرایی استفاده شود. برای تیرچهها نیاز به آرماتور برشی با کادر بسته الزام نبوده و می توان از آرماتور برشی بصورت سنجاقی نیز استفادهنمود. در خصوص دالهایی که جزیی از سیستم باربر جانبی نیستند حداکثر فاصله آرماتورهای برشی برابر با نصف ارتفاع موثر تیرچه میباشد. در قسمتهایی که نیاز به آرماتور برشی محاسباتی نیست، این فاصله می تواند افزایش یابد که بهتر است از ارتفاع موثر تیرچه بیشتر نباشد. پس از مشاهده نتایج خروجی، مساحت آرماتور برشی لازم و فاصله آنها میتواند تعیین شود.

کنترل خیز سقف وافل در ایتبس:
قبل از مطالعه این قسمت به بخش “کنترل خیز سقف وافل در سازه از طریق فایل Deflection” مراجعه نمایید.
نکات بسیار مهم در کنترل خیز سقف وافل در ایتبس:
1- اعمال ترکخوردگی در خیز آنی و اثر خزش و انقباض در خیز دراز مدت در ایتبس بطور اتوماتیک صرفاً در المانهای دال انجامشده و این اثرات به تیرها و ستونها اعمال نمیشود. توصیه میشود در صورتیکه سازه دارای تیر میباشد، برای محاسبه دقیق خیزها و اجتناب از اشتباه محاسباتی از نرم افزار Safe استفاده شود و یا طراح از روش کنترل تقریبی خیز که در همین مقاله ارائهشده است استفاده نماید.
2- ایتبس برای ترک خوردگی و اعمال خزش و انقباض بتن از ACI-209 استفاده می کند که با ضوابط ACI318-19 و مبحث نهم متفاوت است. لذا توصیه اکید می گردد برای کنترل خیز در صورت استفاده از ایتبس، ضوابط مربوط به ACI-209 استفاده شود.
3- لازم به ذکر است برای کنترل خیز سقف وافل، با توجه به تاثیر آرماتورهای تیرچهها در ترکخوردگی دال، میبایست پس از تحلیل و طراحی اولیه تیرچهها، مجدداً قفل مدل در ایتبس بازشده و تحلیل ترکخوردگی دال و کنترل خیز دال بر اساس میلگردهای خمشی طراحیشده انجام شود.
نکات فایل Deflection:
از فایلMain یک Save as گرفته و با نامDeflection ذخیره نمایید. در این فایل ضرایب اصلاح سختی خمشی و پیچشی تیرها و ضریب اصلاح خمشی ستونها و دالها را مطابق توضیحات ارائهشده در بخش “کنترل خیز سقف وافل در سازه از طریق فایل Deflection” اصلاح نمایید. دقت نمایید استفاده از ضرایب اصلاح سختی خمشی تیرها برابر با 0.5 و ستون ها برابر با 1 برای محاسبه خیز آنی بوده و برای محاسبه خیز بلند مدت مخصوصاً برای تیرهای با دهانه های بزرگ میتواند منجر به خطا گردد.
برای حذف این خطا می توان کنترل خیز را در نرم افزار Safe انجام داد تا کنترل خیز تحت اثرات بلند مدت شامل خزش و انقباض علاوه بر دالها در تیرها نیز لحاظ گردد. با توجه به تغییر سختی خمشی دال و سایر المانها در این فایل ممکن است پس از طراحی مقدار آرماتورهای خمشی دال با فایل Main متفاوت باشد که تاثیر زیادی در کنترل خیز نخواهد داشت. راهکار دوم برای حذف این خطا، استفاده از روش تقریبی کنترل خیز میباشد که در آن مقدار ضریب اصلاح سختی خمشی تیرها به جای 0.35 برابر 0.5 و برای سقف وافل به جای 0.25 برابر با 0.35 در نظرگرفته میشود و کنترل خیز بر اساس مبحث نهم یا همان ACI318-19 انجام شود. روش تقریبی کنترل خیز در ادامه این مقاله آوردهشده است.
اختصاص تحلیل ترک خوردگی به کف ها در ایتبس:
برای انجام تحلیل ترک خوردگی برای یک طبقه، تمامی کف های ان طبقه را انتخاب نموده و از مسیر زیر، تحلیل ترک خوردگی را به انها اختصاص دهید:
Assign<<Shell<<Floor Cracking در پنجره باز شده گزینه Consider Selected Floor Objects in Floor Cracking Analysis را تیک زده و بر روی Ok کلیک نمایید.
تفکیک بارهای مرده در کنترل خیز:
در صورتیکه طراح قصد دارد در محاسبات خیز بلند مدت، اثرات خزش و انقباض قبل از نصب نازک کاری و تاسیسات مکانیکی و برق را لحاظ نموده و از خیز بلند مدت کم نماید باید در تعریف حالات بار، بار Dead و Super Dead را جداگانه تعریف نماید. در این حالت بار Dead شامل بار وزن بتن و اسکلت بوده و بار Super Dead شامل بارهای کف سازی و تیغه بندی (در صورتیکه از نوع مرده باشد) و دیوارهای پیرامونی میباشد.
اگر طراح نخواهد در محاسبات خیز بلند مدت، اثرات خزش و انقباض قبل از نصب نازک کاری و تاسیسات مکانیکی و برق را لحاظ نموده و از خیز بلند مدت کم نماید، می تواند تمامی بارهای مرده شامل وزن بتن و اسکلت، بارهای کف سازی و تیغه بندی (در صورتیکه از نوع مرده باشد) و دیوارهای پیرامونی را از نوع Dead تعریف نماید.
بار زنده نیز بر اساس تعریف صورتگرفته به همان صورت باقی میماند.
مقدار مجاز خیز در سقف های وافل:
مقدار مجاز خیز بلند مدت در سقف وافل:
اگر طراح اثرات خزش و انقباض قبل از نصب نازککاری و تاسیسات مکانیکی و برق را لحاظ نموده و از خیز بلند مدت کم نماید، توصیه میشود خیزهای بلند مدت محاسبه شده بر اساس تغییر مکانهای نسبی در جهات مختلف را با 1/480 طول دهانه مقایسه نماید. اگر طراح نخواهد اثرات خزش و انقباض قبل از نصب نازککاری و تاسیسات مکانیکی و برق را لحاظ نماید، توصیه میشود خیزهای بلند مدت محاسبهشده بر اساس تغییر مکانهای نسبی را با 1/240 طول دهانه مقایسه نماید.
مقدار مجاز خیز آنی (کوتاه مدت) در سقف وافل:
در مورد ساختمای مسکونی، اداری و تجاری متعارف بر اساس تغییر مکانهای نسبی باید از 1/360 طول دهانه کمتر باشد.
مقدار مجاز خیز طره ها:
مقدار مجاز خیز در دالها و تیرهای طرهای، در جهتی که رفتار بصورت طرهای می باشد 2 برابر مقدار مجاز جدول 9-19-3 مبحث نهم میباشد.
آرماتور (میلگرد) حداقل دال برای کنترل ترک خوردگی:
نرم افزار ایتبس در محاسبه ترک خوردگی از آرماتورهای طولی تیرچه ها که خودش طراحی و محاسبه کرده استفاده مینماید. از طرفی به لحاظ اجرایی همواره آرماتور طولی در تیرچهها قرارداده میشود حتی اگر ایتبس به لحاظ محاسباتی آرماتور طولی گزارش نکند. برای درنظر گیری اثر آرماتورهای طولی در کنترل ترک خوردگی مقطع تیرچه ها در نقاطی که به لحاظ محاسباتی به انها نیازی نیست ولی اثر آن میبایست درنظرگرفته شود باید به ترتیب زیر از منوی Analyze عمل کرد:
محاسبه آرماتور حداقل برای ترکخوردگی :
Analyze<<Cracking Analysis Options
در پنجره Reinforcing Options for Cracking Analysis گزینه User Specified Rebar/Designed Slab Rebar را انتخاب کنید. در بخش Minimum Reinforcing Ratios Used for Cracking Analysis در بخش Tension Reinforcing و Compression Reinforcing میزان درصد آرماتور های موجود را که عمدتا آرماتور حداقل مقطع و بصورت سراسری میباشد وارد نمایید.
بطور مثال اگر در سقف وافل فاصله مرکز به مرکز تیرچه ها 700 میلیمتر، ارتفاع کل مقطع تیرچه ها به همراه دال روی ان برابر با 300 میلیمتر، آرماتورسراسری پایین تیرچه ها 2 میلگرد با قطر 12میلیمتر، آرماتور سراسری بالا یک میلگرد با قطر 16 میلیمتر و آرماتور حرارتی در بین تیرچه ها یک میلگرد با قطر 8 میلیمتر باشد، محاسبات ان بصورت زیر انجام می شود:
درصد آرماتور بالا = (مساحت میلگرد 16+مساحت میلگرد 8) تقسیم بر ( 300×700)= 0.001196
درصد آرماتور پایین= (مساحت 2 عدد میلگرد 12) تقسیم بر ( 300×700)= 0.001076
باید توجه داشت که درصد آرماتور در این بخش برای ایتبس باید با فرض مقطع توپر (300×700) وارد شود.
با توجه به اینکه ارماتورهای بالا و پایین براساس جهت لنگر می توانند بصورت کششی یا فشاری عمل نمایند توصیه میشود در جهت اطمینان در بخش Tension Reinforcing و Compression Reinforcing حداقل مقدار بین درصد آرماتور بالا و پایین (بطور مثال در اینجا 0.001076) وارد شود. در شکل زیر، آرماتور حداقل با فرض 2 آرماتور 14 در پایین، 1 آرماتور 14 در بالا و یک آرماتور 8 به عنوان حرارتی محاسبه شده است.

مقاومت کششی بتن (مدول گسیختگی) برای محاسبات ترک خوردگی:
در صورتیکه طراح محاسبات ترک خوردگی و خیز را به عهده ایتبس می گذارد، به دلیل اینکه ایتبس از ACI-209 استفاده می کندو با ACI318-19 و مبحث نهم متفاوت است، بهتر است در تعریف مصالح بتنی در قسمت Modulus of Rupture for Cracked Deflection گزینه Program Default را انتخاب نماید.
تعریف حالات بار برای کنترل خیز در سقف های وافل:
برای تعریف حالات بار از منوی Define و مسیر زیر استفاده نمایید:
Define<<Load Case<<Add New Case
حالات بار خیز آنی در پنجره Load Case Data:
( منطور از بار Live در ترکیبات زیر، تمامی حالات بار زنده میباشد که ممکن است نام های مختلفی داشته باشند مانند Live-0.5 )
ترکیب بار Dead+Super Dead+Live :
در شکل زیر بهطور نمونه پنجرههای مربوطه در ایتبس نشانداده شده است.

ضریب بار | الگوی بار |
1 | Dead |
1 | Super Dead |
1 | Live |
ویرایشهای لازم برای تحلیل ترکخوردگی:
Floor Cracking Analysis | نوع تحلیل (Load Case Type) |
Cracked(Short Term) | Nonlinear Static |
ترکیب بار Dead+Super Dead+0.25Live :
تعریف این ترکیب بار مشابه ترکیب بار قبل است و فقط ضریب بارهای زنده برابر با 0.25 وارد میشود.
ضریب بار | الگوی بار |
1 | Dead |
1 | Super Dead |
0.25 | Live |
ویرایشهای لازم برای تحلیل ترکخوردگی:
Floor Cracking Analysis | نوع تحلیل (Load Case Type) |
Cracked(Short Term) | Nonlinear Static |
تفاوت دو حالت بار فوق منجر به تعیین خیز آنی میگردد که باید با 1/360 طول دهانه مقایسه شود.
حالات بار خیز بلند مدت در پنجره Load Case Data:
ترکیب بار Dead + Super Dead + 0.25Live + Creep + Shrinkage (بار دایم با اثر خزش و انقباض)

ضریب بار | الگوی بار |
1 | Dead |
1 | Super Dead |
0.25 | Live |
ویرایشهای لازم برای تحلیل ترکخوردگی:
Shrinkage Strain | Floor Cracking Analysis | Floor Cracking Analysis | نوع تحلیل (Load Case Type) |
0.00078 | 2.35 | Cracked(Long Term) | Nonlinear Static |
ترکیب بار مرده با اثر خزش 3 ماه Dead + Creep (3Month):
این ترکیب بار در صورتیکه طراح بخواهد در محاسبات خیز بلند مدت، اثرات خزش و انقباض قبل از نصب نازک کاری و تاسیسات مکانیکی و برق را لحاظ نموده و از خیز بلند مدت کم نماید، تعریف می شود. در این تعریف فرضشده است پس از 3 ماه از ساخت کفها و بتنریزی آنها، نازککاری و سایر تجهیزات مکانیکی و برقی حساس به خیز نصب میشوند.

ضریب بار | الگوی بار |
1 | Dead |
ویرایشهای لازم برای تحلیل ترکخوردگی:
Shrinkage Strain | Floor Cracking Analysis | Floor Cracking Analysis | نوع تحلیل (Load Case Type) |
0.00056 | 1.4 | Cracked(Long Term) | Nonlinear Static |
ترکیب بار کنترل خیز آنی در سقف وافل:
Dead + Super Dead + Live) – (Dead + Super Dead + 0.25Live))
از ترکیب بار فوق مقدار خیز آنی در نقاط مختلف سقف نمایشداده میشود. باید توجه داشت آنچه مهم است مقدار خیز نسبی نقاط مختلف نسبتبه یکدیگر (تفاوت خیز نقاط مختلف) میباشد، یعنی برای هر دو نقطه باید خیز نسبی آنها محاسبهشده و از 1/360 فاصله بین آنها کمتر باشد.
ترکیب بار کنترل خیز بلند مدت در سقف وافل:
(Dead + Super Dead+0.25Live) – (Dead + Super Dead + Live) + (Dead + Super Dead + 0.25Live + Creep + Shrinkage)
خیز نسبی بدست امده بین هر دو نقطه از ترکیب بار فوق باید از 1/240 فاصله بین آن دو نقطه کوچکتر باشد. (کنترل خیز بر اساس ترکیب فوق برای حالتی است که طراح نخواهد اثرات خزش و انقباض قبل از نصب نازک کاری و تاسیسات مکانیکی و برق را لحاظ نماید)
اگر طراح بخواهد در محاسبات خیز بلند مدت، اثرات خزش و انقباض قبل از نصب نازک کاری و تاسیسات مکانیکی و برق را لحاظ نموده و از خیز بلند مدت کم نماید، از ترکیب فوق، ترکیب بار Dead+ Creep(3Month) را نیز کم می کند و خیز نسبی بین دو نقطه را با 1/480 فاصله بین آن دو نقطه مقایسه می کند.
در شکل زیر میزان تغییرمکان نقاط، تحت ترکیب بار خیز بلند مدت نشانداده شده است که اثر خزش و انقباض 3 ماهه قبل از نصب نازککاری و تاسیسات مکانیکی و برقی لحاظشده و از خیز بلند مدت کم شدهاست. لذا خیز نسبی بین نقاط با 1/480 فاصله بین آن دو نقطه مقایسهشده است.

کنترل خیز بام در سقف وافل:
در صورت نیاز به کنترل خیز بام در طراحی سقف وافل در ایتبس، تمامی موارد مشابه نکات ذکرشده در قبل است با این تفاوت که در تعریف ترکیب بارهای خیز، به جای الگوی بار Live از الگوی بار LRoof یا SnowDef استفاده میشود. همچنین درصد مشارکت بار زنده بام یا برف در مقدار بار دائم باید بر اساس قضاوت مهندسی تعیین گردد.
اثر پیش خیز در کنترل خیز دال:
طراح نمیتواند به بهانه استفاده از پیش خیز، از کنترل خیز دال چشم پوشی نماید زیرا پیش خیز نمیتواند تغییر شکلهای مربوط به دال را کاهش دهد و فقط باعث میشود سطح دال بعد از خیز به جای اینکه به سمت پایین انحنا بردارد، بصورت افقی قرار گیرد و ظاهر نهایی را بهتر نشان میدهد. پیش خیز، صرفاً خط مبدا برای شروع خیز را تغییر می دهد و تاثیر چندانی بر روی سختی ندارد.
کنترل لرزش در سقف وافل:
کنترل لرزش بر مبنای بند 9-19-5 مبحث نهم مقررات ملی ساختمان انجام میشود.
5-19-9 ارتعاش (لرزش):
کفها و تیرهایی که سطوح خالی از تیغهبندیهای ممتد تا سقف (یا خالی از عناصر دیگری که خاصیت میرا کنندگی ارتعاش را دارند) را تحمل میکنند، باید با توجه خاص به لرزش و ارتعاش حاصل از بارهای جنبشی (نظیر بارهای ناشی از حرکت افراد، کارکرد ماشینآلات، حرکت و توقیف آسانسورها و نظایر آنها) طراحی شوند. بدین منظور فرکانس نوسانی کفها (تیرچهها، دالها و تیرها) باید به اندازهای باشد که حداقل حساسیت افراد را در برابر ارتعاش قائم ایجاد نماید.
حداقل فرکانس دورهای کفها برای کاربریهای مختلف نباید از مقادیر مشخصشده در جدول 9-19-4 کمتر باشد:
جدول 9-19-4 حداقل فرکانس دورهای کفها
نوع کاربری | حداقل فرکانس دورهای کفها (f) |
ساختمانهای مسکونی و اداری | f≥5Hz |
ساختمانهای تجاری- فروشگاه ها | f≥4Hz |
سالنهای اجتماعات با صندلیهای ثابت | f≥4Hz |
سالنهای اجتماعات بدون صندلیهای ثابت | f≥8.5Hz |
تعمیرگاهها، سالنهای ژیمناستیک و ورزشی | f≥9.5Hz |
پارکینگ ها | f≥4Hz |
در محاسبهی فرکانس دورهای ارتعاش کفها، باید اثر ترکخوردگی قطعات، با منظور نمودن ممان اینرسی مؤثر، Ie، متناظر با بارهای مرده و زندهی بدون ضریب، در محاسبهی تغییرشکلها مورد توجه قرار گیرد. این تغییرشکلها مربوط به اثر بارهای مرده و بخشی از بارهای زنده که دائمی فرض میشود (بدون ضرایب بار) بوده و ضریب ارتجاعی دینامیکی بتن 1.25 برابر مقدار Ec منظور میگردد.
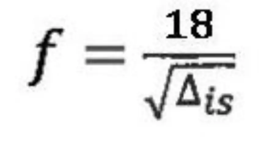
برای محاسبهی فرکانس دوره ای، f، میتوان از رابطهی (9-19-6) استفاده نمود.
که در آن is∆ تغییرمکان استاتیکی قائم حداکثر کف تحت اثر بار مرده و بخشی از بار زنده که دائمی فرض میشود (بر حسب میلیمتر)، و f فرکانس دورهای ارتعاش بر حسب هرتز میباشد. در صورتی که به مطالعات جامعتر برای ارتعاش کفها نیاز باشد میتوان از مراجع معتبر بینالمللی دیگر بجای رابطه 9-19-6 و جدول 9-19-4 استفاده نمود.

کنترل لرزش سقف وافل در ایتبس بر اساس محاسبه خیز:
از فایل اصلی یک Save as با نام Vibration گرفته میشود. در فایل جدید ضریب اصلاح سختی خمشی تیرها برابر 0.5، ستونها و دیوارها برابر با 1 و دالها برابر با 0.35 درنظر گرفته میشود. مدول الاستیسیته بتن 1.25 برابر میشود. ترکیب بارهای دائمی مجدد تعریف می شود که در ساختمانهای متعارف شامل Dead+Super Dead+0.25Live می باشد.
پس از تحلیل سازه، خیز نسبی تیرها و دالها (خیز حداکثر نسبت به خیز دو انتها) برای ترکیب بار دائمی محاسبهشده و در رابطه 9-19-6 قرارداده میشود تا فرکانس محاسبه گردد. فرکانس محاسبهشده باید از مقادیر جدول 9-19-4 بزرگتر باشد. بصورت جایگزین برای ساختمانهای مسکونی و اداری اگر مقدار حدی فرکانس 5 هرتز در رابطه 9-19-6 قرارداده شود منجر به تغییر مکان استاتیکی 12.96 میلیمتر میشود. اگر برای تیرها و دالها در ساختمانهای مسکونی و اداری در فایل Vibration تحت بار دائم، مقدار خیز نسبی حداکثر برای تیر و دال نسبت به خیز دو انتها کمتر از 12.96 میلیمتر باشد، ارتعاش جوابگو می باشد.
جایگذاری حد فرکانس مجاز در رابطه 9-19-6 نشان میدهد که مقدار تغییرمکان محاسبه شده مستقل از طول دهانه تیر یا دال میباشد لذا در دهانههای بلند این امکان وجوددارد که بهجای کنترل خیز، کنترل ارتعاش حاکم بر تغییرشکل عضو شود.
نکته مهم: در کنترل لرزش سقف وافل در ایتبس، به دلیل اینکه از تحلیل ترک خوردگی برای دال و تیر استفاده نشده است، تقریب وجود دارد. برای رفع این تقریب میتوان طبقه مورد نظر و نیروهای آنرا به Safe منتقل نمود و با انجام تحلیل مودال و درنظر گیری ترک خوردگی دالها و تیرها، فرکانس اولین مود ارتعاش قائم کف را تعیین نموده و با مقادیر جدول 9-19-4 مقایسه نمود.
کنترل لرزش سقف وافل در سیف (Safe)
1- انتقال طبقه مورد نظر به همراه الگوهای بار ثقلی و ترکیب بارهای ثقلی طبقه مورد نظر از ایتبس به سیف
2- ویرایش مدول الاستیسیته بتن در مدل سیف به مقدار 1.25 برابر
3- اعمال اثرات ترک خوردگی تیر و دال از طریق ساخت حالت بار Dead + Super Dead+0.25Live و تنظیم حالت بار بر روی تحلیل غیر خطی ترک خوردگی (Short Term). در این حالت اگر تیرها حالت No Design نباشند تیرها طراحی شده و براساس میلگردهای محاسبهشده در Safe، میزان ترکخوردگی آنها محاسبه میشود. چون در این فایل طراحی تیرها بر اساس بارهای ثقلی انجام میگیرد، میزان آرماتورهای خمشی نسبت به مدل ایتبس کاهش می یابد که برای کنترل ترک خوردگی در جهت اطمینان بوده و مشکلی ایجاد نمی نماید. بطور جایگزین طراح میتواند تیرها را در حالت No Design قرارداده و ضریب اصلاح سختی خمشی آنها را برابر با 0.5 وارد نماید.
4- تعریف منبع جرم از مسیر Define<<Mass Source بر اساس الگوی بار Dead با ضریب 1، الگوی بار Super Dead با ضریب 1 و الگوی بار Live با ضریب 0.25 در پنجره مربوطه تیک مربوط به Include Vertical Mass باید فعال باشد.
5- تعریف حالت بار مودال از مسیر Define<<Load Case<<Add New Case، در پنجره باز شده در قسمت Stiffness to Use باید گزینه Stiffness at the end of Nonlinear Case انتخاب شده و حالت بار Dead + Super Dead+0.25Live انتخاب شود. در بخش Load Case Type نیز Modal انتخاب می گردد.
6- تحلیل سازه و مشاهده اولین مود ارتعاش قائم کف بر مبنای حالت بار مودال از مسیر Display<<Show Deformed Shape
7- عمدتاً خروجی نرمافزار بصورت زمان تناوب (Period) می باشد که با تقسیم عدد 1 بر زمان تناوب، میزان فرکانس ارتعاش کف بدستآمده و باید بر اساس کاربری از مقادیر جدول 9-19-4 بزرگتر باشد.
کنترل برش پانچ سقف وافل در محل ستون در ایتبس در حالت بدون تیر:
مشاهده نسبت برش پانچ در فایل Main و از مسیر زیر انجام می شود. دقت نمایید در صورتیکه به ستون تیر متصل باشد، برش پانچ برای آن ستون توسط نرم افزار چک نمیشود.
Design<<Concrete Slab Design<<Display Punching Check
نکات و ضوابط کنترل برش در سقف وافل در مبحث نهم مقررات ملی ساختمان
در کنترل برش پانچ میبایست به بند 9-20-10-4 مبحث نهم توجه نمود. کنترل این بند هم برای دالهایی که جزیی از سیستم باربر لرزهای هستند و هم برای دالهایی که نیستند باید انجام شود. همچنین بند 9-20-5-5-8 نیز باید بررسی شود.
4-10-20-9 اتصالات دال به ستون
1-4-10-20-9 در اتصالات دالهای دو طرفهی بدون تیر به ستون، باید در کلیهی مقاطع بحرانی که در بند 9-8-5-2-1 تعریف شدهاند، در صورتی که

باشد، از آرماتورهای برشی مطابق ضوابط بند 9-20-10-4-3 و یکی از دو بند 9-10-7-3-7 و 9-10-7-3-8 استفاده شود. در محاسبهی vuv فقط ترکیبهای باری که شامل E (زلزله) هستند، باید منظور گردند. مقدار

باید برای بزرگترین مقداری که در طبقات فوقانی و تحتانی مجاور طبقهی مورد نظر هستند، محاسبه شود. مقدار vc باید بر اساس بند 9-8-5 محاسبه شود.
2-4-10-20-9 در صورتی که

باشد، نیازی به محاسبهی آرماتور برشی مطابق بند 9-20-10-4-1 نمیباشد.
3-4-10-20-9 در مقطع بحرانی دال، آرماتورهای برشی مورد نیاز باید رابطهی

را تامین نموده و حداقل تا 4 برابر ضخامت دال از بر تکیهگاه در مجاورت مقطع بحرانی دال ادامه داشته باشند.
ضوابط برش پانچ در ستون مطابق مبحث نهم
8-5-5-20-9 در مقاطع بحرانی برای ستونهایی که در بند 9-8-5-2-1 تعریف شدهاند، تنش برشی دو طرفه ایجادشده در اثر بارهای قائم ضریبدار نباید از 0.4ϕVc تجاوز نماید. Vc از بند 9-8-5-3 محاسبه میشود. در صورتی که در دال ضوابط بند 9-20-10-4 رعایت شدهباشند، نیازی به منظور نمودن ضابطه این بند نیست.
1-2-5-8-9 مقطع بحرانی برای برش دو طرفه، سطح جانبی منشوری است که وجوه آن موازی با نیروی برشی است. محل آنها باید طوری در نظرگرفته شود که محیط قاعده آن، b0، حداقل باشد. لازم نیست فاصلهی وجوه منشور از هر یک از موارد زیر کمتر از 0.5d در نظرگرفته شود.
الف– لبهها و یا گوشههای ستونها، بارهای متمرکز یا نواحی تکیهگاهی؛
ب– محل تغییر در ضخامت دال یا پی نظیر لبههای سر ستون، کنیبه یا کلاهکهای برشی. عمق منشور در مقطع بحرانی برابر d است که برابر با متوسط عمق مؤثر در جهت متعامد در نظرگرفته میشود.
7-3-7-10-9 آرماتورهای برشی- خاموت ها
الف– استفاده از خاموتهای تکپایه، U ساده، U چندگانه و خاموت بسته به عنوان میلگرد برشی مجاز میباشد.
ب– مهار و شکل خاموتها باید مطابق با بند 9-21-5 باشد.
پ– در صورت استفاده از خاموت، محل قرارگیری و فاصلهگذاری آنها باید مطابق با جدول 9-10-4 باشد.
جدول 9-10-4 موقعیت اولین خاموت و محدودیتهای فاصلهگذاری
جهت اندازهگیری | تعریف اندازهگیری | بیشترین فاصله |
عمود بر وجه ستون | فاصله از بر ستون تا اولین خاموت | d/2 |
فاصلهی بین خاموت ها | d/2 | |
موازی با وجه ستون | فاصلهی بین ساق عمودی خاموت ها | 2d |
به دلیل اهمیت برش پانچ در ناحیه اتصال دال به ستون توصیه میشود، دال در اطراف ستون بصورت توپر اجرا شود. در این حالت ابعاد ناحیه توپر دال در هر طرف ستون باید به اندازه 4 برابر ضخامت دال باشد. همچنین بهتر است ابعاد ناحیه توپر در هر طرف ستون بزرگتر از 1/6 طول دهانه مربوطه باشد.
توصیه می شود در صورتی که دیوار برشی نیز مستقیماً به دال متصل شود و تیر وجود نداشته باشد، محاسبه برش پانچ مشابه ستونها مخصوصا برای دو انتهای دیوار انجام شود.
کنترل برش پانچ سقف وافل در محل ستون در ایتبس در حالت وجود تیر :
1- در این حالت برش پانچ توسط نرم افزار محاسبه نمیشود.
2- تعیین برش خارج از صفحه دال (V13 و V23) بر اساس الگوی بار پوش و از منوی Display<< Show Shell Forces/Stresses انجام می شود. نیروهای نشاندادهشده برای واحد طول میباشند و باید در محل وقوع گسیختگی برشی (مقطع بحرانی مطابق بند 9-8-5-2-1) تعیینشده و با مقاومت برشی دال مقایسه شود.
3- مقاومت برشی دال در این حالت بهتر است بر اساس برش یکطرفه لحاظ شود که می تواند شامل مقاومت برشی بتن دال به همراه آرماتورهای عرضی باشد.
کنترل تقریبی خیز دال ها و تیرها بدون انجام تحلیل ترک خوردگی:
برای تحلیل ترکخوردگی و کنترل تقریبی خیز دالها و تیرها در دراز مدت، از فایل Main یک Save as گرفته و در آن ضریب اصلاح سختی خمشی تیرها را بهجای 0.35 برابر با 0.5 و ضریب اصلاح سختی خمشی دالها را بطور تقریبی بهجای 0.25 برابر با 0.35 و برای ستونها بهجای 0.7 برابر با 1 وارد نمایید.
ترکیب بار کنترل تقریبی خیز دراز مدت با فرض مشارکت 25درصدی بار زنده در بارهای دائم و ضریب خزش 2 (بدون درنظر گیری اثر آرماتورهای فشاری) بصورت 2Dead+2Super Dead+1.25Live خواهد بود که باید از 1/240 طول دهانه کمتر باشد. کنترل خیز آنی نیز بر اساس 0.75Live انجامشده و با 1/360 طول دهانه مقایسه میشود.
در بعضی موارد بصورت محافظه کارانه ترکیب بار کنترل خیز بلند مدت بصورت 3Dead+3Super Dead+1.5Live پیشنهاد میشود که باید از 1/240 طول دهانه کمتر باشد. در این حالت، خیز انی بر اساس بار Dead+Super Dead+Live کنترل میگردد که باید از 1/360 طول دهانه کمتر باشد.
طراحی سقف وافل در سیف (Safe):
با توجه به امکان استفاده از نرم افزار ایتبس در طراحی خمشی و برشی سقف وافل، نیاز به طراحی خمشی و برشی سقف وافل در Safe نمیباشد و صرفا در صورتیکه طراح بخواهد کنترل دقیق خیز را بر اساس ترک خوردگی تیرها و دالها انجام دهد باید از نرم افزار Safe استفاده نماید. شایان ذکر است در کنترل خیز به دلیل محاسبات ترکخوردگی و اثر آرماتورهای خمشی تیر و دال در ترکخوردگی آنها، نرمافزار Safe بطور اتوماتیک در حین تحلیل، طراحی را هم انجام میدهد تا میلگردها را محاسبه نماید.
باید دقت داشت میلگردهای تیرها و دالها در Safe بر اساس ترکیبات بار کنترل خیز بدستآمده و نسبت به میلگردهای طراحیشده توسط ایتبس دست پایینتر میباشند. این مساله در جهت اطمینان است و مشکلی ایجاد نمیکند. در کنترل خیز دقیق در Safe نیاز به تغییر ضرایب اصلاح سختی خمشی تیرها و دال ها نبوده و تحلیل ترک خوردگی بطور اتوماتیک انجام می شود.
گزینههای تحلیل ترک خوردگی در نرم افزار سیف (Safe):
در منوی Run، در بخش Cracking Analysis Options در پنجره بازشده 3 گزینه موجود میباشد:
استفاده از گزینه User Specified Rebar، مشابه ایتبس میباشد در همین مقاله به بخش “آرماتور (میلگرد) حداقل دال برای کنترل ترک خوردگی” مراجعه نمایید.
در صورت استفاده از گزینه From Finite Element Based Design نرمافزار میلگرد طراحی را محاسبه میکند و با مقدار حداقلی که در قسمت Minimum Reinforcement Ratios Used for Cracking Analysis واردشده است مقایسه میکند. نرمافزار بیشترین مقدار بین طراحی و حداقل را در محاسبات منظور میکند.
گزینه سوم در حالتی است که طراح قبلا تیرچه ها را طراحی نموده و آرماتور آنها را محاسبه نموده است. در این حالت در بخش Quick Tension Rebar Specification میتواند آرماتور تیرچه ها را وارد نماید. اگر آرماتور تقویت وجود داشته باشد، از آنها صرفنظرمیشود و نرمافزار فقط میلگرد واردشده را بطور ثابت در کل دال فرض مینماید. در این حالت آرماتور حداقل در بخش Minimum Reinforcement اثرداده نمیشود.
تعریف ترکیبات بار و نکات مربوط به انها در Safe مشابه ایتبس میباشد که در همین مقاله به آن پرداختهشده است.
در انتها با انجام تحلیل و بررسی نتایج کنترل خیز انجام میشود.
کاربردهای سقف وافل:
سقف وافل به دلیل هندسه خاص خود، دارای صلبیت و مقاومت خمشی قابل توجهی است. این ویژگی باعث میشود که بتواند بدون نیاز به تیرهای قطور، دهانههای نسبتاً بلند را پوشش دهد. کاربردهای سقف وافل بسیار گسترده است و شامل موارد زیر میشود:
- ساختمانهای مسکونی و اداری: به خصوص در پروژههایی که نیاز به انعطافپذیری در پلان و دهانههای بزرگتر وجود دارد.
- مراکز تجاری و فرهنگی: مانند فروشگاهها، سالنهای اجتماعات و سینماها که نیاز به فضاهای بدون ستون و با زیبایی بصری دارند.
- فضاهای پارکینگ: به دلیل قابلیت تحمل بار و امکان اجرای دهانههای متوسط.
- سقف استخرها و سازههای آبی: به دلیل مقاومت در برابر رطوبت و امکان ایجاد فرمهای خاص.
- بامهای سبز و سقفهای شیبدار: قابلیت اجرای طرحهای متنوع معماری را فراهم میکند.
مزایا و معایب سقف وافل:
انتخاب سیستم سقف مناسب در هر پروژه ساختمانی تأثیر مستقیمی بر استحکام، هزینه و بهرهوری کل سازه دارد. سقف وافل بهعنوان یکی از گزینههای نوین، همواره توجه مهندسان و معماران را به خود جلب کرده است. اما برای تصمیمگیری درست، لازم است علاوه بر شناخت ویژگیهای اجرایی، مزایا و معایب این سیستم بهطور دقیق بررسی شود. چرا که آگاهی از نقاط قوت و ضعف سقف وافل، امکان انتخابی آگاهانه و متناسب با شرایط پروژه را فراهم میآورد. در ادامه این مقاله، به تشریح کامل مزایا و معایب سقف وافل پرداختهایم تا دید جامعی برای تحلیل و انتخاب این سیستم در اختیار شما قرار گیرد.
مزایا:
- کاهش وزن سازه نسبت به دالهای بتنی سنتی: حذف بتن در قسمتهای خالی سقف، وزن کلی سازه را به طور قابل توجهی کاهش میدهد. این امر منجر به کاهش نیروهای وارده به پی و ستونها و در نتیجه کاهش هزینههای مربوط به فونداسیون و سازه نگهدارنده میشود.
- قابلیت اجرای دهانههای بلند: صلبیت بالای سقف وافل، امکان پوشش دهانههای بزرگتر را بدون نیاز به تیرهای میانی قطور فراهم میآورد، که این امر به انعطافپذیری معماری کمک شایانی میکند.
- زیبایی بصری: ظاهر هندسی و شبکهای سقف وافل، در صورت عدم نیاز به سقف کاذب، میتواند به عنوان یک عنصر معماری جذاب مورد استفاده قرار گیرد.
- سرعت اجرای نسبی: با وجود پیچیدگی در قالببندی، در صورت استفاده از قالبهای استاندارد و تکرار شونده، سرعت اجرای سقف وافل میتواند مناسب باشد.
- عایق صوتی و حرارتی مناسب: فضای خالی داخل سقف میتواند به عنوان یک لایه عایق عمل کند.
- امکان عبور تأسیسات: فضای خالی بین تیرچهها امکان عبور آسان تأسیسات مکانیکی و الکتریکی را فراهم میآورد.
معایب:
- هزینه اولیه قالببندی: هزینه خرید یا اجاره قالبهای مخصوص سقف وافل میتواند قابل توجه باشد.
- پیچیدگی در جزئیات اجرایی: نیازمند دقت و مهارت بالا در قالببندی و آرماتوربندی است.
- نیاز به نیروی کار ماهر: اجرای صحیح سقف وافل به پرسنل آموزش دیده و باتجربه نیاز دارد.
تفاوت سقف وافل و کوبیاکس:
سقف کوبیاکس، مانند سقف وافل، سیستمی دال تخت است که با هدف کاهش وزن و افزایش دهانه اجرا میشود. تفاوت اصلی در نحوه ایجاد فضای خالی و شکل آن است.
بررسی مشخصات فنی هر دو سیستم:
سقف وافل:
- شکل مقطع: مقطع تیرچه ها و دال بتنی به صورت T شکل در دو جهت.
- قالببندی: استفاده از قالبهای مکعبی، استوانهای یا هرمی شکل که فضای خالی ایجاد میکنند.
- تیرچهها: در دو جهت عمود بر هم اجرا میشوند و وظیفه انتقال بار را به ستونها دارند.
- دال: ضخامت دال اصلی معمولاً کمتر است و وظیفه انتقال بار بین تیرچهها را بر عهده دارد.
سقف کوبیاکس:
- شکل مقطع: دال تخت مسلح با تیرچههای داخلی که فضای خالی توسط گویهای پلاستیکی (کوپول) ایجاد میشود.
- قالببندی: گویهای پلاستیکی در کف قالب زیرین قرار گرفته و بتن دور آنها ریخته میشود.
- تیرچهها: با قرارگیری گویها در بین میلگردها، فضاهای خالی ایجاد شده و تیرچهها به صورت ضمنی در دو جهت شکل میگیرند.
- دال: ضخامت دال کوبیاکس یکنواختتر از وافل است.
موارد کاربرد مناسب برای هر یک:
- سقف وافل: پروژههایی که نیاز به دهانههای بلندتر، فرمهای معماری خاص و امکان نمایان شدن سقف دارند، مانند سالنهای اجتماعات، پارکینگها و پروژههای لوکس مسکونی.
- سقف کوبیاکس: ساختمانهای مسکونی و اداری که اولویت بر کاهش چشمگیر وزن سازه، امکان اجرای دال تخت بدون تیر و کاهش تعداد ستونها باشد.
تفاوت وافل یک طرفه و دو طرفه:
سقف وافل بر اساس نحوه انتقال بار و توزیع تنشها به دو دسته اصلی تقسیم میشود: وافل یک طرفه و وافل دو طرفه.
توضیح مفاهیم وافل یک طرفه و دو طرفه:
سقف وافل یک طرفه (One-way waffle slab):
در این سیستم، تیرچهها در یک جهت اصلی (معمولاً عمود بر یک دهانه بلندتر) اجرا میشوند و بار از طریق این تیرچهها به ستونها منتقل میگردد. دال بین تیرچهها نیز عمدتاً در جهت کوتاه، رفتار خمشی از خود نشان میدهد. در این حالت، تیرچهها نقش اصلی را در انتقال بار ایفا میکنند.
سقف وافل دو طرفه (Two-way waffle slab):
در این سیستم، تیرچهها در هر دو جهت عمود بر هم اجرا میشوند و دال بین تیرچهها در هر دو جهت رفتار خمشی از خود نشان میدهد. بار از طریق شبکه تیرچهها به ستونها منتقل میشود. این سیستم مقاومت و صلبیت بیشتری نسبت به وافل یک طرفه دارد و برای دهانههای بزرگتر و بارهای بیشتر مناسب است.
معیارهای انتخاب بین این دو نوع
- نسبت ابعاد دهانهها (Length/Width Ratio): اگر نسبت طول به عرض دهانه اصلی بزرگتر از 2 باشد (مثلاً 8 متر در 3 متر)، معمولاً سقف وافل یک طرفه اقتصادیتر است. در صورتی که این نسبت نزدیک به 1 باشد (مثلاً 6 متر در 5 متر)، سقف وافل دو طرفه مناسبتر است.
- میزان بار وارده: برای بارهای بیشتر، سیستم وافل دو طرفه به دلیل توزیع بهتر تنشها و مقاومت خمشی بالاتر، ارجحیت دارد.
- انعطافپذیری معماری: در مواردی که نیاز به حذف دیوارهای حمال و ایجاد پلان باز باشد، وافل دو طرفه با قابلیت پوشش دهانههای بزرگتر، انعطافپذیری بیشتری ارائه میدهد.
- ملاحظات اجرایی: اجرای وافل یک طرفه از نظر قالببندی و آرماتوربندی سادهتر است.
سیستم سقف وافل:
درک اجزا و نحوه عملکرد سقف وافل برای طراحی و اجرای صحیح آن ضروری است.
اجزا و مؤلفههای اصلی سقف وافل:
- تیرچههای سقف وافل: نوارهای برجسته بتنی که در دو جهت عمود بر هم اجرا میشوند. این تیرچهها وظیفه انتقال بار از دال به ستونها را بر عهده دارند. ضخامت و عرض این تیرچهها بر اساس محاسبات سازهای تعیین میشود.
- دال سقف وافل: بخش نازک بتنی که بین تیرچهها قرار میگیرد. این دال بار را به تیرچهها منتقل میکند.
- قالبهای سقف وافل: قطعاتی (معمولاً پلاستیکی یا فلزی) که برای ایجاد فضای خالی بین تیرچهها و شکلدهی به مقطع T شکل یا I شکل تیرچهها استفاده میشوند. این قالبها پس از گیرش بتن از سقف جدا میگردند.
- آرماتوربندی: شامل میلگردهای اصلی در تیرچهها و دال، میلگردهای حرارتی و میلگردهای اتصال تیرچهها به ستونها.
نحوه عملکرد سازهای سیستم وافل:
سقف وافل با ایجاد یک شبکه صلب از تیرچهها و دال، بار را به صورت دو طرفه (در وافل دو طرفه) یا یک طرفه (در وافل یک طرفه) به ستونها منتقل میکند. مقاومت خمشی و برشی سیستم به طور قابل توجهی افزایش مییابد.
- عملکرد خمشی: تیرچهها تحت لنگر خمشی ناشی از بار قرار میگیرند و بتن کششی در ناحیه زیرین تیرچه و فولاد کششی در ناحیه تحتانی، تنشها را تحمل میکنند. دال بین تیرچهها نیز در جهت عمود بر خود (در وافل دو طرفه) یا در جهت کوتاه (در وافل یک طرفه) خم میشود.
- عملکرد برشی: تنشهای برشی در ناحیه اطراف ستونها و محل تلاقی تیرچهها به اوج خود میرسند.
- عملکرد در برابر خیز: به دلیل صلبیت بالا، سقف وافل مقاومت خوبی در برابر خیز از خود نشان میدهد.
انواع قالبهای مورد استفاده در اجرای سقف وافل:
قالبهای سقف وافل انواع مختلفی دارند که بر اساس ابعاد، جنس و شکل، در بازار موجود هستند:
- قالبهای پلاستیکی (PP یا ABS): این قالبها سبک، قابل شستشو و مقاوم در برابر مواد شیمیایی بتن هستند. معمولاً به شکل مکعبی یا هرمی با ابعاد استاندارد (مانند 60×60 یا 80×80 سانتیمتر) تولید میشوند. مزیت اصلی آنها قابلیت استفاده مکرر است.
- قالبهای فایبرگلاس: این قالبها نیز سبک و مقاوم هستند و امکان اجرای طرحهای خاص را نیز فراهم میکنند.
- قالبهای فلزی (چدنی یا فولادی): این قالبها سنگینتر اما بسیار مقاوم و بادوام هستند و برای پروژههای بزرگ و با تکرار زیاد مورد استفاده قرار میگیرند.
- قالبهای یکبار مصرف: برخی قالبها از جنس مقوا یا پلیاستایرن فشرده ساخته میشوند و پس از بتنریزی جدا نمیشوند، بلکه در بتن باقی میمانند. این نوع قالبها معمولاً برای کاربردهای خاص یا در مواردی که سقف کاذب اجرا میشود، استفاده میشوند.
انتخاب نوع قالب به عواملی مانند بودجه پروژه، دسترسی به قالب، نوع کاربری ساختمان و الزامات زیباییشناختی بستگی دارد.
سقف وافل یکطرفه:
سقف وافل یکطرفه نوعی دال بتنی است که بار را عمدتاً در یک جهت تحمل میکند و با استفاده از قالبهای مخصوص ایجاد شبکهای از شیارها و توخالیها، وزن مرده سازه را کاهش میدهد. این سیستم برای دهانههای کوتاه تا متوسط مناسب بوده و اجرای آن نسبت به سقف وافل دوطرفه سادهتر و اقتصادیتر است.
مشخصات فنی و طراحی سقف وافل یک طرفه:
- ابعاد تیرچهها: معمولاً عرض تیرچهها بین 10 تا 20 سانتیمتر و ارتفاع آنها (شامل ضخامت دال) بین 20 تا 40 سانتیمتر متغیر است.
- ضخامت دال: ضخامت دال اصلی معمولاً بین 5 تا 10 سانتیمتر در نظر گرفته میشود.
- فاصله تیرچهها: فاصله محور به محور تیرچهها معمولاً بین 60 تا 80 سانتیمتر است که با ابعاد قالبها همخوانی دارد.
میلگردگذاری:
- میلگردهای طولی: در ناحیه فوقانی و تحتانی تیرچهها قرار میگیرند و مقاومت خمشی را تأمین میکنند.
- میلگردهای عرضی (خاموت): در داخل تیرچهها به صورت عمود بر میلگردهای طولی قرار گرفته و مقاومت برشی را تأمین میکنند. برای طراحی صحیح میلگردهای برشی تیرچهها در سقف وافل میبایست از Etabs 20.1 استفاده نمود.
- میلگرد حرارتی: در دال اصلی در دو جهت و در جهت موازی تیرچهها قرار داده میشوند.
سقف یوبوت و وافل:
سقف یوبوت نیز مانند وافل و کوبیاکس، سیستمی نوین برای دالهای بتنی است که با هدف بهینهسازی مصرف مصالح و افزایش کارایی اجرا میشود.
نقاط قوت و ضعف هر سیستم:
بررسی دقیق نقاط قوت و ضعف هر سیستم سقف، از جمله سقف وافل و سقف یوبوت، نقش مهمی در انتخاب سازهای بهینه و مدیریت هزینههای پروژه دارد. توجه به این مقایسه، امکان تصمیمگیری آگاهانه بر اساس شرایط اجرایی و اقتصادی را فراهم میکند. در ادامه، بهطور کامل به تحلیل مزایا و معایب این دو سیستم سقف پرداخته شده است.
سقف وافل:
- نقاط قوت: قابلیت اجرای دهانههای بلند، زیبایی بصری، مقاومت خمشی بالا.
- نقاط ضعف: هزینه قالببندی، پیچیدگی نسبی در اجرا.
سقف یوبوت:
- نقاط قوت: کاهش وزن بسیار زیاد، سرعت اجرای بالا، سادگی قالببندی، امکان عبور تأسیسات.
- نقاط ضعف: مقاومت برشی در محل ستونها نیازمند دقت بیشتر، هزینه قالبهای یوبوت (در صورت عدم استفاده مکرر).
در مجموع، سقف یوبوت در کاهش وزن و سرعت اجرا برتری دارد، در حالی که سقف وافل از نظر مقاومت خمشی و امکان ایجاد نماهای خاص میتواند مزیت داشته باشد. انتخاب نهایی بستگی به اولویتهای پروژه دارد.
جزوه طراحی سقف وافل:
Optimum design of reinforced concrete waffle slabs
Two-Way Joist Concrete Slab Floor (Waffle Slab) System Analysis and Design
نکات کلیدی و دستورالعملهای طراحی بر اساس آییننامهها:
- تعیین نوع سقف: بر اساس نسبت دهانهها و بار، انتخاب بین وافل یک طرفه یا دو طرفه.
- انتخاب ابعاد قالب: بر اساس استاندارد قالبها و محاسبات اولیه.
- محاسبه ضخامت دال: بر اساس خیز مجاز و تنشهای خمشی.
- طراحی تیرچهها:
- مقاومت خمشی: محاسبه میلگردهای کششی و فشاری (در صورت نیاز) برای تحمل لنگر خمشی.
- مقاومت برشی: محاسبه خاموتها برای تحمل تنشهای برشی.
- خیز: کنترل خیز تیرچهها مطابق با الزامات آییننامه.
- آرماتوربندی:
- میلگرد کششی: در ناحیه تحتانی تیرچهها.
- میلگرد فشاری: در صورت نیاز در ناحیه فوقانی تیرچهها.
- خاموت: در داخل تیرچهها با فواصل مشخص.
- میلگرد افت و حرارت: در دال اصلی.
- میلگرد حرارتی: در جهت عمود بر تیرچهها در دال.
- جزئیات اجرایی:
- پیوستگی میلگردها: در محل تلاقی تیرچهها و اتصال به ستونها.
- پوشش بتنی: رعایت حداقل پوشش بتنی برای میلگردها.
- جایگذاری میلگردها: رعایت فواصل میلگردها در تیرچهها و دال.
ملاحظات اجرایی و کنترل کیفیت
- کنترل کیفیت قالبها: اطمینان از سالم بودن و ابعاد صحیح قالبها.
- کنترل کیفیت آرماتوربندی: اطمینان از صحت سایز، تعداد، فاصله و نحوه قرارگیری میلگردها.
- کنترل کیفیت بتنریزی:
- استفاده از بتن با اسلامپ مناسب برای جلوگیری از ریزش در قالبها.
- ویبره کردن مناسب بتن برای تراکم کامل.
- جلوگیری از شسته شدن سیمان در مجاورت قالبها.
- کنترل کیفیت باز کردن قالبها: اطمینان از گیرش کافی بتن قبل از باز کردن قالبها.
- بررسی درزهای اجرایی: در صورت اجرای سقف در چند مرحله.
دفترچه محاسبات سقف وافل:
راهنمایی برای تهیه یک دفترچه محاسبات جامع.
مراحل گام به گام تهیه دفترچه محاسبات:
- مقدمه: تشریح پروژه، مشخصات سازه و هدف از محاسبات.
- بارگذاری:
- تعریف بارهای موجود.
- تعیین ترکیب بارها مطابق با آییننامه.
- مدلسازی سازهای:
- ترسیم دیاگرام طبقات، ستونها و سقف.
- تعریف گرهها، المانها (تیر، ستون، پوسته) و المانهای میانی (قالبهای وافل).
- تحلیل سازهای:
- انجام تحلیل استاتیکی یا دینامیکی برای تعیین نیروها (لنگر خمشی، برش، نیروی محوری) و جابجاییها.
- استفاده از نرمافزارهای سازهای مانند ETABS یا SAFE.
- طراحی مقاطع:
- طراحی تیرچهها:
- محاسبه نیاز خمشی و برشی.
- انتخاب میلگردهای کششی و خاموتها.
- کنترل خیز.
- طراحی دال:
- محاسبه نیاز خمشی و برشی دال.
- طراحی میلگردهای افت و حرارت.
- طراحی تیرچهها:
- کنترلها:
- کنترل ظرفیت برشی ستونها.
- کنترل ترکخوردگی.
- کنترل فشردگی.
- فصل نتیجهگیری: خلاصهای از نتایج محاسبات و ارائه نقشههای اجرایی.
فاصله ستونها در سقف وافل:
بررسی تأثیر فاصله ستونها بر طراحی سقف وافل
- افزایش فاصله ستونها: منجر به افزایش دهانه تیرچهها و دال میشود. این امر نیاز به مقاطع تیرچه قطورتر، میلگردهای بیشتر و در نتیجه هزینه بیشتر دارد. همچنین، خیز سقف افزایش یافته و کنترل آن چالشبرانگیزتر میشود.
- کاهش فاصله ستونها: باعث کوچکتر شدن دهانهها، کاهش ابعاد تیرچهها و میلگردهای مورد نیاز میشود. این امر میتواند منجر به صرفهجویی در هزینهها شود، اما تعداد ستونها و دیوارها را افزایش داده و انعطافپذیری پلان را کاهش میدهد.
- طول تقریبی دهانه در سقف تیرچه بلوک تا حدود 6 متر، وافل تا حدود 15 متر و پیش تنیده تا حدود 18 متر میتواند باشد.
محدودیتها و توصیههای آییننامهای
- حداکثر دهانه مجاز: آییننامهها محدودیتهایی برای حداکثر دهانه قابل پوشش با سقف وافل در نظر میگیرند که به نوع سقف (یک طرفه یا دو طرفه) و بار وارده بستگی دارد.
- حداقل ضخامت دال: برای جلوگیری از گسیختگی برشی یا خمشی، حداقل ضخامت دال توصیه میشود.
- حداکثر فاصله تیرچهها: فاصله بین تیرچهها معمولاً بر اساس ابعاد قالبها و قابلیت تحمل دال محدود میشود.
محاسبات سقف وافل:
محاسبات سقف وافل، بر خلاف سقف تیرچه بلوک باید در مدل سازهای در داخل نرم افزار انجام شود، زیرا شرایط تکیهگاهی تیرچه ها بسته به مقدار صلبیت پیچشی تیرهای لبه دال و پیوستگی انتهای دال بر روی تیرها دارد، لذا تعیین لنگر و برش طراحی به همراه کنترل خیر باید در نرمافزار انجام شود. همچنین به دلیل مقاومت خمشی سقف در هنگام وقوع زلزله، لنگرها و برشهای اضافی ناشی از بارجانبی نیز در اجزای سقف ایجاد میشود که در صورت استفاده از نرمافزار Etabs 20.1 اثر نیروهای جانبی در طراحی دال نیز لحاظ شده و آرماتورهای خمشی و برشی دال به درستی برآورد میگردد.
محاسبه بتن سقف وافل:
در خصوص تعیین آرماتور برشی تیرچهها، ذکر این نکته ضروری است که محاسبه مقاومت برشی بتن به تنهایی در ایتبس 20.1 بر اساس رابطه جدید ACI به درستی انجام میشود و لذا برای طراحی صحیح تیرچه های سقف وافل برای برش توصیه می شود حتما از این ورژن ایتبس استفاده شود. در صورت استفاده از سایر ورژن های بالاتر، صحت محاسبات ایتبس باید بصورت دستی نیز کنترل گردد.
مقایسه سقف وافل و اینتل دک (Intel-Deck):
سیستمهای سقف مدرن متنوعی در پروژههای ساختمانی بهکار میروند که هرکدام ویژگیها و کاربردهای خاص خود را دارند. سقف وافل و سیستم Intel-Deck از جمله این گزینهها هستند که در دهانهها و شرایط مختلف سازهای مورد استفاده قرار میگیرند. در ادامه این مقاله، بهطور دقیق مقایسه سقف وافل و Intel-Deck ارائه میشود تا دیدگاه جامع و کاربردی نسبت به هر دو سیستم فراهم گردد.
بررسی ویژگیهای هر دو سیستم
سقف وافل:
- سیستم دال بتنی با تیرچههای برجسته در دو جهت.
- ایجاد فضای خالی با قالبهای موقتی.
- ظاهر مشبک.
سقف اینتل دک (Intel-Deck):
- سیستم دال بتنی با تیرچههای بتنی توخالی (که توسط قالبهای پلاستیکی یا کامپوزیت ایجاد میشوند).
- فضای خالی در داخل تیرچهها.
- ظاهر صاف و یکنواخت.
هزینه سقف وافل نسبت به سقف تیرچه و بلوک:
برآورد دقیق هزینههای اجرای سقفها، از جمله سقف وافل در مقایسه با دیگر سیستمها، نقش حیاتی در برنامهریزی مالی پروژههای ساختمانی دارد. شناخت عوامل مؤثر بر هزینهها، مانند مصرف مصالح، زمان اجرا و نیاز به تجهیزات خاص، به مدیران پروژه کمک میکند تصمیمات بهینه برای کنترل بودجه و جلوگیری از اضافههزینهها اتخاذ کنند. در ادامه مقاله، بررسی جزئیات هزینه سقف وافل ارائه خواهد شد.
تحلیل اقتصادی و مقایسه هزینههای اجرایی
هزینه ها باید با درنظرگیری آیتمهای زیر برآورد شود:
مقایسه هزینه سقف وافل با سقف تیرچه بلوک یا سقف تیرچه کرمیت:
- هزینه قالببندی:
- سقف وافل: هزینه قالبهای پلاستیکی یا فلزی (خرید یا اجاره).
- سقف تیرچه بلوک: هزینه بلوکهای سفالی یا بتنی.
- سقف تیرچه کرمیت: هزینه یونولیت یا بلوک.
- هزینه بتن:
- سقف وافل: مصرف بتن کمتر در دال، اما مصرف بتن در تیرچهها.
- سقف تیرچه بلوک: مصرف بتن کمتر نسبت به سقف وافل.
- سقف تیرچه کرمیت: مصرف بتن کمتر.
- هزینه میلگرد:
- سقف وافل: نیاز به میلگرد بیشتر در تیرچهها.
- سقف تیرچه بلوک: میلگرد کمتر.
- هزینه نیروی کار:
- سقف وافل: نیاز به نیروی ماهرتر برای قالببندی و آرماتوربندی.
- سقف تیرچه بلوک: نیاز به نیروی کار عمومیتر.
- هزینه حمل و نقل:
- سقف وافل: حمل قالبها.
- سقف تیرچه بلوک: حمل بلوکها.
جمع بندی:
در این مقاله با روشهای گامبهگام طراحی سقف وافل در ایتبس، مزایا، معایب و همچنین ۱۱ نکته کلیدی برای اجرای اصولی آن آشنا شدیم. سقف وافل به دلیل عملکرد سازهای مناسب، کاهش وزن مرده و صرفهجویی در مصالح، یکی از گزینههای پرکاربرد در پروژههای ساختمانی مدرن به شمار میرود. اما نکتهای که اهمیت آن کمتر از مسائل فنی نیست، ارتباط طراحی دقیق این نوع سقف با مدلسازی اطلاعات ساختمان (BIM) است.
به کمک BIM میتوان جزئیات هندسی، مقاطع، آرماتورگذاری و محل قالبهای وافل را با دقت بالا مدلسازی کرد. این موضوع علاوه بر کاهش خطاهای اجرایی، باعث تسهیل هماهنگی بین رشتههای مختلف (سازه، معماری و تأسیسات) میشود. همچنین، در بستر BIM امکان انجام شبیهسازیهای اقتصادی فراهم است؛ به گونهای که میتوان حجم بتن، میلگرد و هزینههای قالببندی را بهطور دقیق برآورد کرد.
این دقت در محاسبات و تخمین هزینهها برای کارفرمایان و پیمانکاران در سالهای اخیر به یک مزیت رقابتی تبدیل شده است. به عنوان مثال، در شرایط اقتصادی سال ۱۴۰۴ که هزینه ساخت هر مترمربع ساختمان با نوسانات بالایی همراه است، استفاده از BIM در کنار طراحی اصولی سقف وافل، نقش مهمی در کنترل هزینهها و جلوگیری از دوبارهکاریها خواهد داشت.
بنابراین، میتوان نتیجه گرفت که طراحی سقف وافل تنها یک فرآیند سازهای نیست، بلکه در صورت همگامسازی با مدلسازی اطلاعات ساختمان و برآورد هوشمندانه هزینهها، به ابزاری کارآمد برای مدیریت پروژه و افزایش بهرهوری در صنعت ساختمان تبدیل میشود.